コンピュータサイエンス2の第1回課題の内容です。
現在市場で販売されているCPUを2種類以上調べて、下記のことをまとめること
※自分の言葉でまとめておらず、Webサイトや書籍からのコピーになっている場合には0点とするので、注意してまとめること
※課題の最後に、「参考文献」という見出しで、調査するために調べたWebページのタイトルやURL、本のタイトル・著者・出版社・出版年をまとめておくこと
※自分の言葉でまとめるためには、1つのサイトや書籍だけ調べるのではなく、いくつかのサイトや書籍を調べ、内容を理解し、自分の言葉で表現しなおすこと
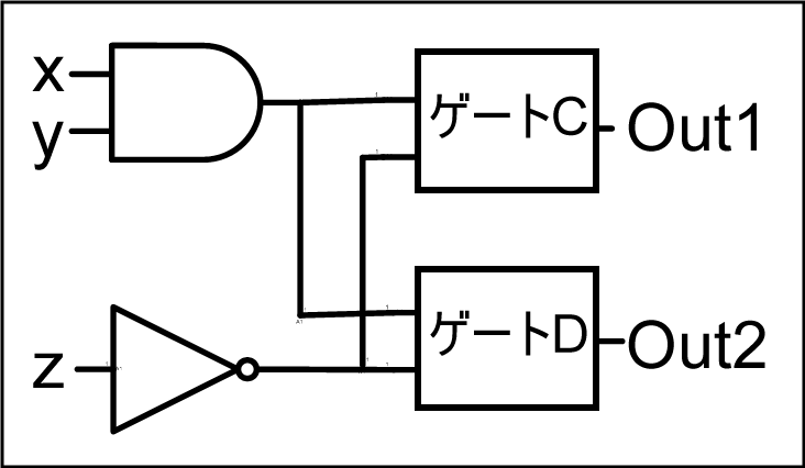
下記の回路の真理値表(回路1つにつき1つの真理値表、合計2つの真理値表)を作成すること
※ゲートA~ゲートDは下記のようにして決定し、ゲートA~ゲートDがどのゲートになったかも課題中に書いておくこと

回路1

回路2
| 入力 | 出力 | |||
|---|---|---|---|---|
| x | y | z | Out1 | Out2 |
| 0 | 0 | 0 | ||
| 0 | 0 | 1 | ||
| 0 | 1 | 0 | ||
| 0 | 1 | 1 | ||
| 1 | 0 | 0 | ||
| 1 | 0 | 1 | ||
| 1 | 1 | 0 | ||
| 1 | 1 | 1 | ||
WindowsとMac OSについて、これまで何度もバージョンアップがあり、様々な変更がなされてきているが、中でも前のバージョンから劇的な変更がなされたことが何度かある。その劇的な変更がなされたバージョンについてまとめること
※どのような変更が、「劇的な変更」にあたるかは自分で考えること。ただし、「劇的な変更」は1度とは限らないので、「劇的な変更」にあたるバージョンはすべてについて調べること
※自分の言葉でまとめておらず、Webサイトや書籍からのコピーになっている場合には0点とするので、注意してまとめること
※課題の最後に、「参考文献」という見出しで、調査するために調べたWebページのタイトルやURL、本のタイトル・著者・出版社・出版年をまとめておくこと
※自分の言葉でまとめるためには、1つのサイトや書籍だけ調べるのではなく、いくつかのサイトや書籍を調べ、内容を理解し、自分の言葉で表現しなおすこと
11月26日(月) 18:00
Wordで書いて WebClassの「第1回課題」の提出場所に提出すること
※Wordのファイルは、成績が確定するまで保存をしておくこと
Copyright (C) Junko Shirogane, Tokyo Woman's Christian University 2018, All rights reserved.